Email: sales@kaemi-oi.com Tel: 86-18305996352
本公司推出的激光扫描管镜是一款高性能、无限远校正物镜,专为要求严苛的激光扫描应用而设计。作为扫描系统中的关键最终组件,它能将准直的扫描激光束以极高的精度和清晰度聚焦到样品平面。
该管镜在宽波长范围内均经过优化,可实现衍射极限性能,确保像差最小、分辨率最高且传输效率出色。它是共聚焦显微镜、生物成像和精密光刻等需要可靠、高保真结果系统的理想选择。
产品规格 | |
设计波长范围 | 350-700 nm |
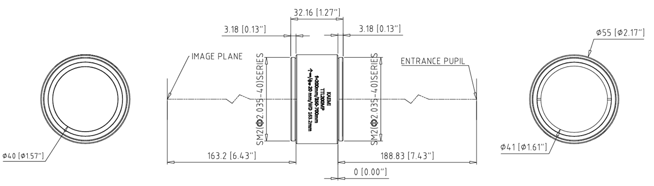
有效焦距 | 200 mm |
最大入瞳直径 | Φ 20 mm |
入瞳距离 | 228 mm |
工作距离 | 163.2 mm |
视场大小 | Φ 22 mm |
面形质量 | 60-40 S/D |
轴向色差 | 衍射极限 |
分辨率 | 衍射极限 |
镀膜 | 宽带增透膜 400-1300nm 平均反射率: < 2.5%, 入射角: 0° 至 25° |
透射波段 | 400-1300 nm, 平均透过率 > 92.0% |
产品图纸

联系人:Sales
手机:86-18305996352
电话:86-18305996352
邮箱:sales@kaemi-oi.com
地址: 福建省闽侯县上街镇高新大道32- 1号光电产业基地C区3#楼901室
二维码