Email: sales@kaemi-oi.com Tel: 86-18305996352
Our Laser Scanning Tube Lens is a high-performance, infinity-corrected objective lens designed specifically for demanding laser scanning applications. It serves as the critical final component in scanning systems, focusing a collimated, scanned laser beam onto the sample plane with exceptional accuracy and clarity.
Engineered to achieve diffraction-limited performance across a broad wavelength range, this tube lens ensures minimal aberrations, maximum resolution, and high transmission efficiency. It is the ideal solution for systems requiring reliable, high-fidelity results, such as confocal microscopy, bio-imaging, and precision lithography.
Production Specification | |
Design Wavelength Range | 350-700 nm |
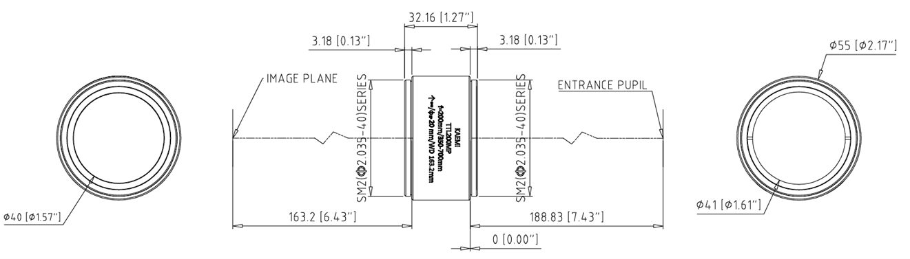
Effective Focal Length | 200 mm |
Max Entrance Pupil Diameter | Φ 20 mm |
Entrance Pupil Distance | 228 mm |
Working Distance | 163.2 mm |
Field Size | Φ 22 mm |
Surface Quality | 60-40 S/D |
Axial Color | Diffraction Limited |
Resolution | Diffraction Limited |
Coating | BBAR 400-1300nm Rabs:< 2.5%, AOI: 0° TO 25° |
Transmission Region | 400-1300 nm, >92.0% Tavg |
Drawings

Contact: Sales
Phone: 86-18305996352
Tel: 86-18305996352
Email: sales@kaemi-oi.com
Add: Room 901, Building 3, No.32-1 Gaoxin Avenue, Shangjie Town, Minhou County, Fujian, China
We chat